直线振动筛振动电机能够为直线振动筛的工作提供动力源,使直线筛能够完成筛分、除杂等操作。振动电机的激振力调节范围为 5-500kN,可通过调整电机两端偏心块的夹角实现,夹角越小激振力越大。电机外壳材质以铸铁为主,能够耐冲击、抗磨损。偏心块则选用高锰钢材质,能够提升耐磨性能。小型单台振动电机的重量约 15-30kg,大的电机重量可达 50-120kg。

直线振动筛振动电机的工作原理是利用偏心块高速旋转产生的离心力作为激振源来驱动筛体做直线往复运动。电机的安装方式通常为两台同型号电机对称地固定在筛体侧板或顶部,并与水平面呈一定角度。直线振动筛的2个振动电机旋转方向是反向同步旋转的,是因为当两台电机反向同步旋转时,它们各自产生的离心力在平行于电机轴线的方向上相互抵消,而在垂直于电机轴线的方向上则叠加合成,最终形成一个单一方向的直线激振力,从而驱动整个筛箱和物料做定向的直线跳跃前进运动。

直线振动筛的振动电机能通过调节两端偏心块的配重或夹角,在额定范围里调整激振力,进而控制筛机振幅,适配不同物料和生产工艺。电机外壳是全封闭的,能够抵御粉尘与水汽;内部用的是特制大游隙、高耐振轴承,轴和壳体也做了加固处理,就算长期承受高强度的交变冲击载荷,也能在持续振动的环境下稳定运行。振动电机直接用高强度螺栓固定在直线振动筛的筛箱上,不用复杂的传动装置,传动效率高还省电。激振力调节机构装在外面,现场调整和维护都很方便。外壳上还有密集的散热筋,能增强振动工况下的散热效果,避免电机因散热不好而过热。电机有多种功率、激振力、极数和安装尺寸的型号可选,不管是精细筛分还是重型筛分的需求都可以满足。

直线振动筛振动电机的型号有YZU、YZS 等系列,比如YZU-50-6,其中“50”代表激振力为50千牛,激振力可以进行调节;“6”代表极数。极数越大代表频率约低,比如4 级电机的转速约1500r/min,6 级电机转速约1000r/min。以下是相关的型号,可根据实际的情况进行选择。
小型直线筛的筛面宽度≤800mm,可以选用 YZU-5-4、YZU-10-4 等型号的振动电机,激振力能达到 5~10kN,可以筛分如化工粉末、食品颗粒。
中型筛的筛面宽度 1000~1500mm,可选 YZU-20-6、YZS-30-6,激振力 20~30kN,适用于矿石、砂石等中载物料。
大型筛的筛面宽度≥1800mm,可以进行搭配 YZU-50-6、YZS-75-8 等大激振力型号,能保障高产能下的筛分效率。

| 电机型号 | 功率(kW) | 激振力(kN) | 额定电压(V) | 频率(Hz) | 转速(rpm) | 安装方式 | 备注 |
| YZS-10-6 | 0.37 | 5 | 380 | 50 | 960 | 卧式 | 小型筛 |
| YZS-15-6 | 0.55 | 8 | 380 | 50 | 960 | 卧式 | 轻载物料 |
| YZS-20-6 | 0.75 | 10 | 380 | 50 | 960 | 卧式 | 中小型筛 |
| YZS-30-6 | 1.1 | 15 | 380 | 50 | 960 | 卧式 | 中型筛 |
| YZS-30-4 | 1.5 | 20 | 380 | 50 | 1450 | 卧式 | 高频率振 |
| YZS-40-4 | 2.2 | 25 | 380 | 50 | 1450 | 卧式 | 标准中型筛 |
| YZS-50-4 | 3.0 | 30 | 380 | 50 | 1450 | 卧式 | 大中型筛 |
| YZS-60-4 | 4.0 | 40 | 380 | 50 | 1450 | 卧式 | 大型筛 |
| YZS-75-4 | 5.5 | 55 | 380 | 50 | 1450 | 卧式 | 高强度筛 |
| YZS-90-4 | 7.5 | 70 | 380 | 50 | 1450 | 卧式 | 特大筛 |
直线振动筛振动电机生产厂家在制造时,电机外壳及端盖采用高强度灰铸铁或球墨铸铁,以承受剧烈振动带来的循环应力;内部偏心块使用铸铁或铸钢,能产生足够且稳定的离心力。电机防护等级可达 IP65,满足防爆、潮湿等特殊场景使用要求。可根据客户直线振动筛的尺寸、处理量等参数,定制特殊电压、安装方式的电机,而且可以提供技术指导,帮助客户降低设备停机损耗。


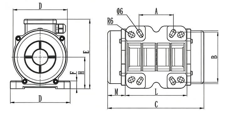
直线振动筛振动电机作为振动源,在了解了振动电机的工作原理、配置、特点、型号、生产厂家以及安装图后,如果还有其他的问题,可以联系大汉机械,可以根据需求为直线振动筛配置适合的电机型号,使粉状、颗粒状、块状物料的筛分更顺利快速的进行。
Tags:直线振动筛振动电机
上一篇:振动电机工作原理
下一篇:没有了
网址:http://www.xxzds.net/ 24小时服务电话:15836198876信箱: cndahan@163.com
Copyright © 2014-2020 新乡市大汉振动机械有限公司 All Rights Reserved 备案号: 豫ICP备09002479号-3
